

服务热线
021-56052589


QW-TZ-01,QW-TZ-02,QW-TZ-03,QW-TZ-04,QW-TZ-05
QW-TZ气动执行装置
QW-TZ气动执行器输出扭矩表(单位N.m)
型号规格 | 操作压力(bar) | |||||
2 | 3 | 4 | 5 | 6 | 7 | |
QW-TZ01 | 9.8 | 14.7 | 19.6 | 24.5 | 29.4 | 34.3 |
QW-TZ02 | 28 | 43 | 57 | 71 | 85 | 99 |
QW-TZ03 | 49 | 74 | 98 | 123 | 148 | 172 |
QW-TZ04 | 123 | 185 | 247 | 309 | 370 | 432 |
QW-TZ05 | 200 | 300 | 400 | 500 | 600 | 700 |
QW-TZ06 | 346 | 519 | 691 | 867 | 1038 | 1211 |
QW-TZ07 | 608 | 912 | 1216 | 1520 | 1824 | 2128 |
QW-TZ气动执行器耗气量、开闭时间和重量
规格型号 | 操作压力(bar) | 开闭时间(秒) | 重量(Kg) | |||||
2 | 3 | 4 | 5 | 6 | 7 | |||
耗气量(L) | ||||||||
QW-TZ01 | 0.5 | 0.6 | 0.8 | 1.1 | 1.4 | 1.8 | <1 | 1.3 |
QW-TZ02 | 1.2 | 1.7 | 2.1 | 2.5 | 3.6 | 4.5 | <1 | 3.3 |
QW-TZ03 | 1.7 | 2.9 | 3.5 | 4.4 | 5.3 | 6.2 | <1 | 4.7 |
QW-TZ04 | 4.5 | 6.4 | 8.9 | 11.5 | 13.6 | 17 | ≤2 | 5.1 |
QW-TZ05 | 5.8 | 8.8 | 11.8 | 14.7 | 17.8 | 22 | ≤3 | 13.1 |
QW-TZ06 | 11.3 | 17 | 22.6 | 28.3 | 34 | 41 | ≤3 | 20.1 |
QW-TZ07 | 19.1 | 29.1 | 38 | 48 | 57 | 66.8 | ≤4 | 43.1 |
注:开闭时间操作压力为0.5Mpa
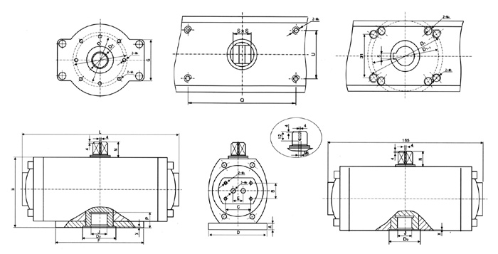
QW-TZ外形连接尺寸:

规格 | L | H | G | D1 | D1-1 | D2 | D3 | F | X | J | Z-M1 | Z-M2 | Z-M3 | Z-M4 | N | P | A | B | C | D | E |
QW-TZ01 | 165 | 80 | 43 | 57 | ISO F05 | 25 | 25 | -- | 2 | 14 | 4-M6 | 2-ZG1/4 | 4-M5 | M6 | 20 | 23 | -- | 26 | 42 | -- | 20 |
QW-TZ02 | 225 | 125 | 52 | ISO F05 | ISO F07 | 48 | 35 | 114 | 3 | 16 | 4-M6 | 2-ZG1/4 | 4-M5 | 4-M8 | 20 | 35 | 20 | 26 | 42 | 90 | 20 |
QW-TZ03 | 225 | 140 | 60 | ISO F05 | ISO F07 | 48 | 35 | 120 | 3 | 16 | 4-M8 | 2-ZG1/4 | 4-M5 | 4-M8 | 20 | 43 | 20 | 26 | 42 | 90 | 20 |
QW-TZ04 | 330 | 175 | 72 | ISO F07 | ISO F10 | 58 | 45 | 150 | 4 | 27 | 4-M8 | 2-ZG1/4 | 4-M5 | 4-M10 | 28 | 48 | 20 | 26 | 42 | 120 | 20 |
QW-TZ05 | 380 | 195 | 85 | ISO F10 | ISO F12 | 60 | 45 | 170 | 4 | 27 | 4-M10 | 2-ZG1/4 | 4-M5 | 4-M12 | 28 | 49 | 22 | 26 | 42 | 140 | 24 |
QW-TZ06 | 460 | 230 | 109 | ISO F14 | -- | 75 | 60 | 217 | 4 | 31.5 | 4-M16 | 2-ZG1/4 | 4-M5 | 4-M16 | 30 | 55 | 24 | 26 | 42 | 180 | 24 |
QW-TZ07 | 580 | 280 | 130 | ISO F07 | -- | 90 | 60 | 220 | 5 | 31.5 | 4-M18 | 2-ZG1/4 | 4-M5 | 4-M20 | 30 | 60 | 25 | 26 | 42 | -- | 24 |
1-气动头-气动执行器标准:阀门双作用气动执行器规格| AT-32,AT-52,AT-63,AT-75,AT-83,AT-92,AT-105,AT-125,AT-140,AT-160,AT-190,AT-210,AT-240,AT-270,AT-300
2-气动头-气动执行器标准:阀门单作用气动执行器规格| ATSR-32,ATSR-52,ATSR-63,ATSR-75,ATSR-83,ATSR-92,ATSR-105,ATSR-125,ATSR-140,ATSR-160,ATSR-190,ATSR-210,ATSR-240,ATSR-270,ATSR-300
3-气动头-气动执行器标准:阀门双作用气动执行器规格 AT-32,AT-52,AT-63,AT-75,AT-88,AT-100,AT-115,AT-125,AT-145,AT-160,AT-100,AT-200,AT-240,AT-270,AT-300,AT-350,AT-400
4-气动头-气动执行器标准:阀门双作用气动执行器规格| ZT050D,ZT063D,ZT075D,ZT088D,ZT100D,ZT125D,ZT145D,ZT160D,ZT180D,ZT200D,ZT240D,ZT270D,ZT300D,ZT350D,ZT400D
5-气动头-气动执行器标准:阀门单作用气动执行器规格| ZT050S,ZT063S,ZT075S,ZT088S,ZT100S,ZT125S,ZT145S,ZT160S,ZT180S,ZT200S,ZT240S,ZT270S,ZT300S,ZT350S,ZT400S
6-气动头-气动执行器标准:阀门双作用气动执行器规格 DR/SC00015,DR/SC00030,DR/SC00060,DR/SC00100,DR/SC00150,DR/SC00220,DR/SC00300,DR/SC00450,DR/SC00600,DR/SC00900,DR/SC01200,DR/SC02000,DR/SC03000,DR/SC05000,
在线留言
ONLINE MESSAGE