服务热线
021-56052589




薄型气动球阀Q672F
薄型气动球阀Q672F
公称通径DN(mm) | 15-150 | ||
公称压力PN(MPa) | 1.6 | 2.5 | |
公称压力 PS(MPa) | 强度试验 | 2.4 | 3.75 |
密封试验 | 1.76 | 2.75 | |
适用温度 | -28℃ - 250℃ | ||
适用介质 | 水、蒸汽、油品、硝酸类 | ||
材料\材料代号 | C | P | R | |
主 要 零 件 | 阀 体 | WCB | ZG1Cr 18Ni 9Ti | ZG0Cr 18Ni 12Mo2Ti |
球 体 | WCB | ZG1Cr 18Ni 9Ti | ZG0Cr 18Ni 12Mo2Ti | |
阀 杆 | 2Cr13 | 1Cr 18Ni 9Ti | 0Cr 18Ni 12Mo2Ti | |
密封圈 | 增强聚四氟乙烯 对位聚苯 | |||
填 料 | 聚四氟乙烯 柔性石墨 | |||
气动执行器 | 型号 | QW系列、AT系列 |
气源压力 | 0.4 ~ 0.8 MPa | |
最大回转角度 | 90°~92° | |
回信器 | AC220V AC110V DC24V | |
控制信号 | 电信号:0~0Ma 4 ~20Ma 气信号:0.02 ~0.1 MPa | |
控制气源 | 洁净、干燥压缩空气 | |
工作温度 | -20℃ ~ +90℃ |
零件名称 | 缸体 | 端盖 | 活塞 | 轴 | O型圈 | 指示轴 | 螺栓 |
QW系列 AT系列 | 铝合金型材 (硬质阳极氧化) | 压铸铝合金 (环氧树脂喷涂) | 压铸铝 | 钢 (镀镍磷合金) | NBR | ABC | SUS304 |

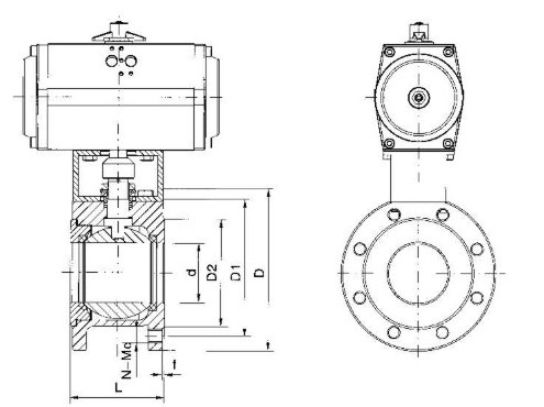
主要外型连接尺寸Q6(4、7)2F
公称通径 DN(mm) | 尺 寸(mm) | |||||||
L | D | D1 | D2 | d | b | f | Z-Md | |
15 | 35 | 95 | 65 | 45 | 15 | 14 | 2 | 4-M12 |
20 | 38 | 105 | 75 | 55 | 19 | 14 | 4-M12 | |
25 | 42 | 115 | 85 | 65 | 23.5 | 14 | 4-M12 | |
32 | 50 | 135 | 100 | 78 | 30 | 16 | 4-M16 | |
40 | 60 | 145 | 110 | 85 | 36 | 16 | 3 | 4-M16 |
50 | 70 | 160 | 125 | 100 | 45 | 16 | 4-M16 | |
65 | 95 | 180 | 145 | 120 | 58 | 18 | 4/8-M16 | |
80 | 118 | 195 | 160 | 135 | 67/76 | 20 | 8-M16 | |
100 | 140 | 215 | 180 | 155 | 76/92 | 20 | 8-M16 | |
125 | 175 | 245 | 210 | 185 | 100 | 22 | 8-M16 | |
150 | 210 | 280 | 240 | 210 | 125 | 24 | 8-M16 | |
在线留言
ONLINE MESSAGE